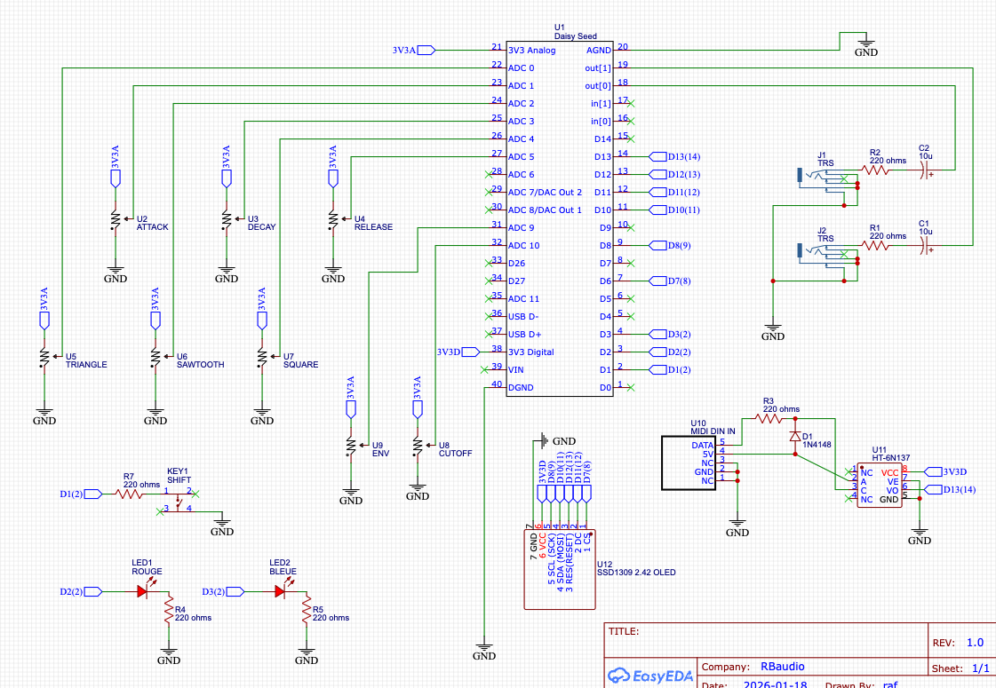
Hi guys, here’s my PCB circuit schematic using the Daisy Seed. It’s a small synth with a stereo output (2× TRS, this is intentional). I’d really appreciate your feedback and advice. If you have any suggestions or improvements regarding the wiring, they’re very welcome! Thanks in advance.
I’ll share what tele_player replied with on Discord: “MIDI pin 2 should only connect to ground on a MIDI OUT or THRU”
Ok thank you so much Takumi !
